直流高壓發生器的一般測量方法
直流高壓發生器一般測量時,當接好線后,先把聯接試品的線懸空,升到試驗電壓后讀取空試時的電暈和雜散電流I,然后接上試品升到試驗電壓讀取總電流,試品泄漏電流。下面和武漢合眾電氣了解下直流高壓發生器的測量方法。
注意:控制箱數顯電流表讀數。
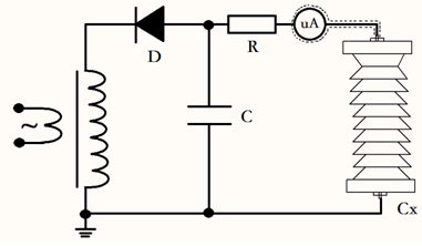
當需要精確測量被試品泄漏電流時,則應在高壓側串入高壓微安表,如圖3.1所示。
圖3.1 微安表接入被試品CX高壓側接線圖
微安表必須有金屬屏蔽,應采用屏蔽線與被試品聯接。高壓引線的屏蔽引出應與儀表端的屏蔽緊密聯接。如果被試品表面有污穢,要排除被試品表面泄漏電流的影響,可在被試品高電位端用裸金屬軟線緊密繞幾圈后與高壓引線的屏蔽相聯接,如圖3.2所示。
圖3.2 排除被試品Cx表面影響連接示意圖
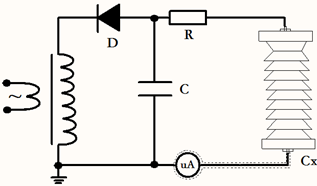
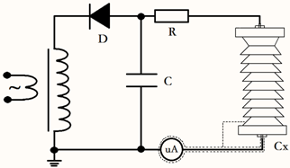
對氧化鋅、磁吹避雷器等被試品接地端可拆開的情況下,也可采用在被試品的底部(地電位側)串入電流表進行測量的方式,如圖3.3所示。 當要排除被試品表面泄漏電流的影響,可用軟的裸銅線在試品地電位端繞上幾圈并與屏蔽線的屏蔽相聯接,如圖3.4所示。
圖3.3 微安表接入被試品Cx底部接線圖
圖3.4 排除被試品Cx表面影響接線圖
本文是直流高壓發生器的測量方法,如果對直流高壓發生器有需求,可以聯系我們客服。
當需要精確測量被試品泄漏電流時,則應在高壓側串入高壓微安表,如圖3.1所示。
微安表必須有金屬屏蔽,應采用屏蔽線與被試品聯接。高壓引線的屏蔽引出應與儀表端的屏蔽緊密聯接。如果被試品表面有污穢,要排除被試品表面泄漏電流的影響,可在被試品高電位端用裸金屬軟線緊密繞幾圈后與高壓引線的屏蔽相聯接,如圖3.2所示。
對氧化鋅、磁吹避雷器等被試品接地端可拆開的情況下,也可采用在被試品的底部(地電位側)串入電流表進行測量的方式,如圖3.3所示。 當要排除被試品表面泄漏電流的影響,可用軟的裸銅線在試品地電位端繞上幾圈并與屏蔽線的屏蔽相聯接,如圖3.4所示。
本文是直流高壓發生器的測量方法,如果對直流高壓發生器有需求,可以聯系我們客服。
- 上一篇: 阻容分壓器如何做高壓測量
- 下一篇: 為什么第一步就是要測量電氣絕緣電阻





